
【 微信掃碼咨詢 】
13534248169
0755-23505442

多介質過濾器獨特的結構,造成了多介質過濾器獨特的運行原理。多介質過濾器是一種多功能的過濾設備,在絕大多數過濾系統中,均能使用得到。 多介質過濾器的運行工作原理 多介質機械過濾器 作為工業用水水質預處理設備之一,在水處理循環系統中起了非常重要的作用。 多介質過濾器是一種外壓式...
了解詳情
多介質過濾罐主要用于大型工業用水和工業污水處理前置環節。多介質過濾罐有優點也有缺點??偟膩碚f,多介質過濾罐的優點是大于缺點的。在使用多介質過濾罐時,要根據多介質過濾罐優點進行合理使用,提高過濾罐使用壽命。 多介質過濾罐有哪些 優點 1. 多介質過濾罐 內部可以裝填不同類型的濾料...
了解詳情
多介質過濾器水帽是一種常用配件,屬于多介質過濾器中的消耗品,是需要定期更換的,多介質過濾器水帽更換周期由材質和使用壽命決定的。塑料類水帽可一個月更換一次,不銹鋼材質水帽最高可一年更換一次。 多介質過濾器水帽種類 多介質過濾器 水帽的種類有很多,不同的材質價格不同,使用壽命...
了解詳情
10噸多介質過濾器是需要定期進行反洗的,反洗有利于穩定10噸多介質過濾器的運行狀態,提高濾料的過濾效率,提高產水水質。接下來就為大家介紹一下10噸多介質過濾器反洗方法和步驟。 10噸多介質過濾器反洗 前的準備 1.對10噸 多介質過濾器 系統進行停運,關閉正常產水系統,檢查10噸多介質過濾器是...
了解詳情
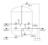
多介質過濾器 結構簡單,操作簡便,通常用于工業水處理預處理環節,尤其是在大型的工業循環水處理系統中,第一步通常是多介質過濾器。接下來主要介紹一下多介質過濾器內部結構圖。 多...
了解詳情
全自動多介質過濾器主要是以濾料作為過濾介質的過濾設備,全自動多介質過濾器過濾精度 相較與其他保安過濾器或袋式過濾器來說,精度要低的多。全自動多介質過濾器的過濾精度受很多因素的影響,包括濾料類型,濾料厚度,濾料粒徑等。接下來主要為大家介紹一下全自動多介質過濾器過濾精度及其...
了解詳情
30噸多介質過濾器內部裝填幾種濾料是根據進水情況來確定的,一般是裝填2種或2種以上濾料。...
了解詳情